声学楼论坛技术交流区测试、标准与评价、鉴赏测量、试验及标准室 → 兄弟.两肋插刀的时刻到了----关于"仪器校验"


  共有12960人关注过本帖树形打印复制链接

主题:兄弟.两肋插刀的时刻到了----关于"仪器校验"

帅哥哟,离线,有人找我吗?
babyhummer
  1楼 | 信息 | 搜索 | 邮箱 | 主页 | UC


加好友 发短信
等级:新手上路 帖子:84 积分:903 威望:0 精华:0 注册:2007-1-4 19:35:53
兄弟.两肋插刀的时刻到了----关于"仪器校验"  发帖心情 Post By:2007-1-17 22:18:30 [只看该作者]

小弟 ,公司作耳机, 软件SOUNDCHECK, G,R,A,S的MICROPHONE, COUPLE是IEC711,做校验是用B&K 4228 ,请问为什么要用B&K 4228 ,来校验.他只发出250Hz的声音, 这样如何对 高频部分校验? 或者是小弟对校验的概念 理解有错误?! 另外在和装4228的盒子里还有 一个仪器叫UZ1000,圆盘样的, 那东西是做什么

请各位不啬赐教!!小弟感激不尽!


 回到顶部
帅哥哟,离线,有人找我吗?
babyhummer
  2楼 | 信息 | 搜索 | 邮箱 | 主页 | UC


加好友 发短信
等级:新手上路 帖子:84 积分:903 威望:0 精华:0 注册:2007-1-4 19:35:53
  发帖心情 Post By:2007-1-19 21:26:16 [只看该作者]

怎么没人 跟的呢? 郁闷!


 回到顶部
帅哥哟,离线,有人找我吗?
Acoustics
  3楼 | 信息 | 搜索 | 邮箱 | 主页 | UC


加好友 发短信 电声工程师
等级:版主 帖子:3520 积分:26241 威望:2 精华:19 注册:2006-2-13 13:44:44
  发帖心情 Post By:2007-1-20 8:22:58 [只看该作者]

标准活塞发声器校准,频率为250Hz或1000Hz,声压级为94dB或124dB

校准话筒,主要是校准其基准灵敏度,前提是其频率特性已知且不会发生大的变化.因此,一般校准一个频率点的灵敏度就足够了.

精确的实验室话筒校准,需用标准消声室和互易校准方法,能校准整个频段.



学无止境!
 回到顶部
帅哥哟,离线,有人找我吗?
Acoustics
  4楼 | 信息 | 搜索 | 邮箱 | 主页 | UC


加好友 发短信 电声工程师
等级:版主 帖子:3520 积分:26241 威望:2 精华:19 注册:2006-2-13 13:44:44
  发帖心情 Post By:2007-1-20 8:34:36 [只看该作者]


图片点击可在新窗口打开查看此主题相关图片如下:
图片点击可在新窗口打开查看



学无止境!
 回到顶部
帅哥哟,离线,有人找我吗?
Acoustics
  5楼 | 信息 | 搜索 | 邮箱 | 主页 | UC


加好友 发短信 电声工程师
等级:版主 帖子:3520 积分:26241 威望:2 精华:19 注册:2006-2-13 13:44:44
  发帖心情 Post By:2007-1-20 8:38:04 [只看该作者]

因为声压跟温度和大气压力有关,所以需要测量温度和压力,哪个表就是气压表: barometer


学无止境!
 回到顶部
帅哥哟,离线,有人找我吗?
Acoustics
  6楼 | 信息 | 搜索 | 邮箱 | 主页 | UC


加好友 发短信 电声工程师
等级:版主 帖子:3520 积分:26241 威望:2 精华:19 注册:2006-2-13 13:44:44
  发帖心情 Post By:2007-1-20 8:40:19 [只看该作者]

A barometer supplied with the pistonphone gives the ambient pressure correction in dB, in the range 650 to 1080 hPa, provided it is checked annually to maintain its accuracy.


学无止境!
 回到顶部
帅哥哟,离线,有人找我吗?
Acoustics
  7楼 | 信息 | 搜索 | 邮箱 | 主页 | UC


加好友 发短信 电声工程师
等级:版主 帖子:3520 积分:26241 威望:2 精华:19 注册:2006-2-13 13:44:44
  发帖心情 Post By:2007-1-20 8:42:33 [只看该作者]

SATISFIED STANDARDS:
IEC 942 (1988) Class 1L (Class 0L with suitable external barometer)
ANSI S1.40-1984
NOMINAL SOUND PRESSURE LEVEL:
124 dB re 20 mPa ±0.2 dB at reference conditions:
Ambient Pressure: 1013 hPa
Ambient Temp.: 20 °C (68 °F)
Ambient Humidity: 65%RH
Effective Load Volume: 1.333 cm3
FREQUENCY:
Nominal: 250Hz
Actual: 102.4 Hz (ISO 266) or 251.2Hz ±0.1%
SPECIFIED MICROPHONE TYPES:
Brüel& Kjær (and similar types) 1², 1/2², 1/4² and
1/8² microphones (see calibration chart for more
details)
INDIVIDUAL CALIBRATION ACCURACY:
At Reference Conditions: ±0.09 dB
At Ambient Reference Conditions:
±0.12 dB with specified microphone types
Within Range of Ambient Conditions:
With External Barometer:
±0.15 dB — IEC942 (1988) Class 0L
With Included Barometer:
±0.30 dB — IEC942 (1988) Class 1L
NOMINAL EFFECTIVE COUPLER VOLUME:
19.733 cm3 (at 250Hz) including Nominal Effective
Load Volume 1.333 cm3
TOTAL HARMONIC DISTORTION: <3%
AMBIENT CONDITIONS:
Ranges:
Pressure: 650 hPa to 1080 hPa
Temperature: –10 to +50 °C (14 to 122 °F)
Relative Humidity: 5% RH to 95%RH
Required Measurement Accuracy:
Pressure: ±0.3% (IEC 942 Class 0L)
±2.0% (IEC 942 Class 1L)
Temperature: ±5 °C
Relative Humidity: ±15% above 35 °C (95 °F)
(measurement is not necessary below 35 °C(95 °F))
Power Supply
Batteries: 6 ´1.5 V IEC Type LR6 (“AA” size)
Lifetime: Typically 40 hours with alkaline batteries
(continuous operation at 20 °C)
Check: Constant check via “250 Hz” light


学无止境!
 回到顶部
帅哥哟,离线,有人找我吗?
Acoustics
  8楼 | 信息 | 搜索 | 邮箱 | 主页 | UC


加好友 发短信 电声工程师
等级:版主 帖子:3520 积分:26241 威望:2 精华:19 注册:2006-2-13 13:44:44
  发帖心情 Post By:2007-1-20 9:00:06 [只看该作者]

G.R.A.S的话筒是什么型号?

Low-noise Measuring System comprising:
½-inch (12.7 mm) Microphone:. . . . . . . .Type 40AH
½-inch (12.7 mm) Preamplifier: . . . . . . .Type 26HH
(with 3 m cable and LEMO FGA.1B.307 plug)
Frequency response:
12.5 Hz - 10 kHz: . . . . . . . . . . . . . . . . . . . . . ±1.0 dB
10 Hz - 16 kHz: . . . . . . . . . . . . . . . . . . . . . . . ±2.0 dB
6 Hz - 20 kHz: . . . . . . . . . . . . . . . . .+2.0 dB, –3.0 dB
Nominal sensitivity:
System: . . . . . . . . . . . . . . . . . . . . . . . . . . 800m V/Pa
Microphone: . . . . . . . . . . . . . . . . . . . . . . . 80 mV/Pa
Microphone polarization voltage:
200 V
Dynamic range:
Upper limit: . . . . . . . . . . . . . . . . . 113 dB re. 20 μPa
Lower limit: . . . . . . . . . . . . . . . . 6.5 dBA re. 20 μPa

这种话筒似乎精度不够!



学无止境!
 回到顶部
帅哥哟,离线,有人找我吗?
Acoustics
  9楼 | 信息 | 搜索 | 邮箱 | 主页 | UC


加好友 发短信 电声工程师
等级:版主 帖子:3520 积分:26241 威望:2 精华:19 注册:2006-2-13 13:44:44
  发帖心情 Post By:2007-1-20 9:07:13 [只看该作者]

ACO7012话筒就不错,MLSSA推荐配套的:

 


图片点击可在新窗口打开查看此主题相关图片如下:
图片点击可在新窗口打开查看


学无止境!
 回到顶部
帅哥哟,离线,有人找我吗?
babyhummer
  10楼 | 信息 | 搜索 | 邮箱 | 主页 | UC


加好友 发短信
等级:新手上路 帖子:84 积分:903 威望:0 精华:0 注册:2007-1-4 19:35:53
  发帖心情 Post By:2007-1-21 18:43:44 [只看该作者]

谢谢,斑竹的解释,有些地方,还不明白.现在就不问了,明天上班自己先仔细琢磨,琢磨.明天我告诉你MIC是什么 型号!

 回到顶部
帅哥哟,离线,有人找我吗?
babyhummer
  11楼 | 信息 | 搜索 | 邮箱 | 主页 | UC


加好友 发短信
等级:新手上路 帖子:84 积分:903 威望:0 精华:0 注册:2007-1-4 19:35:53
  发帖心情 Post By:2007-1-23 21:05:26 [只看该作者]

mic型号是 TYPE 26AM!?和你说的好象有点区别! 另外兄弟能帮忙结束下IEC711标准的内容吗?

 回到顶部
帅哥哟,离线,有人找我吗?
Acoustics
  12楼 | 信息 | 搜索 | 邮箱 | 主页 | UC


加好友 发短信 电声工程师
等级:版主 帖子:3520 积分:26241 威望:2 精华:19 注册:2006-2-13 13:44:44
  发帖心情 Post By:2007-1-23 22:27:31 [只看该作者]

TYPE26XX是话筒前置放大器的型号,不是话筒型号


学无止境!
 回到顶部
帅哥哟,离线,有人找我吗?
Acoustics
  13楼 | 信息 | 搜索 | 邮箱 | 主页 | UC


加好友 发短信 电声工程师
等级:版主 帖子:3520 积分:26241 威望:2 精华:19 注册:2006-2-13 13:44:44
  发帖心情 Post By:2007-1-23 22:28:39 [只看该作者]

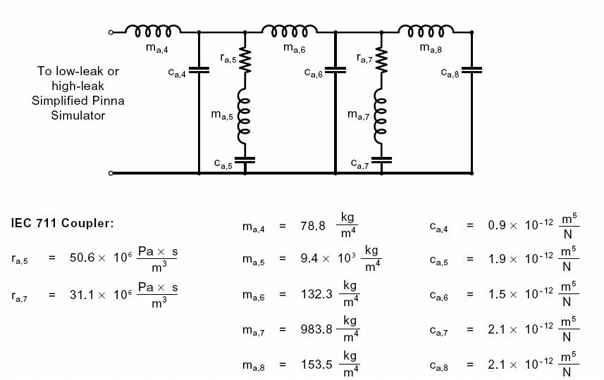
IEC711等效电路图如下:

 


图片点击可在新窗口打开查看此主题相关图片如下:
图片点击可在新窗口打开查看


学无止境!
 回到顶部
帅哥哟,离线,有人找我吗?
babyhummer
  14楼 | 信息 | 搜索 | 邮箱 | 主页 | UC


加好友 发短信
等级:新手上路 帖子:84 积分:903 威望:0 精华:0 注册:2007-1-4 19:35:53
  发帖心情 Post By:2007-1-24 19:51:58 [只看该作者]

Acoustics 兄弟 :谢谢, 十分感谢! 我想接此机会 多问写问题可以吗? 见图图片点击可在新窗口打开查看

 回到顶部
帅哥哟,离线,有人找我吗?
babyhummer
  15楼 | 信息 | 搜索 | 邮箱 | 主页 | UC


加好友 发短信
等级:新手上路 帖子:84 积分:903 威望:0 精华:0 注册:2007-1-4 19:35:53
  发帖心情 Post By:2007-1-24 19:57:36 [只看该作者]

不会上传图片


 回到顶部
帅哥哟,离线,有人找我吗?
babyhummer
  16楼 | 信息 | 搜索 | 邮箱 | 主页 | UC


加好友 发短信
等级:新手上路 帖子:84 积分:903 威望:0 精华:0 注册:2007-1-4 19:35:53
  发帖心情 Post By:2007-1-24 20:01:10 [只看该作者]

图片点击可在新窗口打开查看

 回到顶部
帅哥哟,离线,有人找我吗?
babyhummer
  17楼 | 信息 | 搜索 | 邮箱 | 主页 | UC


加好友 发短信
等级:新手上路 帖子:84 积分:903 威望:0 精华:0 注册:2007-1-4 19:35:53
  发帖心情 Post By:2007-1-24 20:01:56 [只看该作者]

图片点击可在新窗口打开查看

 回到顶部
帅哥哟,离线,有人找我吗?
babyhummer
  18楼 | 信息 | 搜索 | 邮箱 | 主页 | UC


加好友 发短信
等级:新手上路 帖子:84 积分:903 威望:0 精华:0 注册:2007-1-4 19:35:53
  发帖心情 Post By:2007-1-24 20:03:03 [只看该作者]

D:\New Folder (3)\New Folder (3)\P1220089.JPG[/img]

 回到顶部
帅哥哟,离线,有人找我吗?
babyhummer
  19楼 | 信息 | 搜索 | 邮箱 | 主页 | UC


加好友 发短信
等级:新手上路 帖子:84 积分:903 威望:0 精华:0 注册:2007-1-4 19:35:53
  发帖心情 Post By:2007-1-24 20:03:49 [只看该作者]

图片点击可在新窗口打开查看

 回到顶部
帅哥哟,离线,有人找我吗?
babyhummer
  20楼 | 信息 | 搜索 | 邮箱 | 主页 | UC


加好友 发短信
等级:新手上路 帖子:84 积分:903 威望:0 精华:0 注册:2007-1-4 19:35:53
  发帖心情 Post By:2007-1-24 20:05:12 [只看该作者]

图片点击可在新窗口打开查看

 回到顶部
总数 24 1 2 下一页