声学楼论坛技术交流区测试、标准与评价、鉴赏测量、试验及标准室 → 耳机(头戴式、耳塞式)的降噪测试标


  共有20519人关注过本帖树形打印复制链接

主题:耳机(头戴式、耳塞式)的降噪测试标

帅哥哟,离线,有人找我吗?
qwwqwwqshiyi
  1楼 | QQ | 信息 | 搜索 | 邮箱 | 主页 | UC


加好友 发短信
等级:业余侠客 帖子:54 积分:604 威望:0 精华:0 注册:2012-7-11 8:02:47
耳机(头戴式、耳塞式)的降噪测试标  发帖心情 Post By:2016-5-19 10:34:08 [只看该作者]

随着便携影音设备的普及与市场消费需求,耳机降噪能力越来越受到重视。
但是关于耳机(头戴式、耳塞式)的降噪测试标准却没有清晰界定。

大家在这方面是如何规范的?
比如耳机左右声道对应的左右声源(音箱) 距离、功率、音箱本身的规范


请大家进行讨论


 回到顶部
帅哥哟,离线,有人找我吗?
ning_5987
  2楼 | 信息 | 搜索 | 邮箱 | 主页 | UC


加好友 发短信
等级:职业侠客 帖子:127 积分:992 威望:0 精华:0 注册:2015-5-26 16:05:31
  发帖心情 Post By:2016-5-19 11:32:53 [只看该作者]

是的,这方面很重要啊,高手们请指教一二啊。
JMA版主

 回到顶部
帅哥哟,离线,有人找我吗?
errantry
  3楼 | QQ | 信息 | 搜索 | 邮箱 | 主页 | UC


加好友 发短信
等级:侠之大者 帖子:308 积分:2745 威望:0 精华:0 注册:2008-12-26 15:50:03
  发帖心情 Post By:2016-5-19 13:42:11 [只看该作者]

我一直在关注,也没查到相关标准!我测试时是选用的一款同轴音箱,用的是B&K人头来测试的,参考距离是1米,参考声压级是90dB,大家都来谈谈你们是怎么测试的?

 回到顶部
帅哥哟,离线,有人找我吗?
qwwqwwqshiyi
  4楼 | QQ | 信息 | 搜索 | 邮箱 | 主页 | UC


加好友 发短信
等级:业余侠客 帖子:54 积分:604 威望:0 精华:0 注册:2012-7-11 8:02:47
  发帖心情 Post By:2016-5-19 17:04:43 [只看该作者]

我用BK2012系统 
318型拾音器
台湾阳光的测试音箱
距离50cm
矫正灵敏度在-31dB at 1KHz

由于每次只测试耳机的一边,并不需要两只音箱同步测试(排除同步干扰)。


这么看还真是百花齐放。

 回到顶部
帅哥哟,离线,有人找我吗?
不再犹豫
  5楼 | 信息 | 搜索 | 邮箱 | 主页 | UC


加好友 发短信
等级:论坛游民 帖子:10 积分:174 威望:0 精华:0 注册:2014-8-3 10:38:53
  发帖心情 Post By:2016-5-30 20:20:58 [只看该作者]

我们是在4个方向用4个小音箱,粉噪,模拟环境噪音
不知道哪种更科学

 回到顶部
帅哥哟,离线,有人找我吗?
qwwqwwqshiyi
  6楼 | QQ | 信息 | 搜索 | 邮箱 | 主页 | UC


加好友 发短信
等级:业余侠客 帖子:54 积分:604 威望:0 精华:0 注册:2012-7-11 8:02:47
  发帖心情 Post By:2016-5-31 8:18:37 [只看该作者]

四个音箱同时响?还是粉噪

看来你们对低频降噪要求比较高。


如果要求高的话,四只音箱体岂不是也要做消声处理?

 回到顶部
帅哥哟,离线,有人找我吗?
smotoo
  7楼 | 信息 | 搜索 | 邮箱 | 主页 | UC


加好友 发短信
等级:职业侠客 帖子:94 积分:812 威望:0 精华:0 注册:2011-4-21 18:58:32
  发帖心情 Post By:2016-6-2 8:53:51 [只看该作者]

我们用的是粉红噪声,参考SPL是105dB

 回到顶部
帅哥哟,离线,有人找我吗?
nisa
  8楼 | 信息 | 搜索 | 邮箱 | 主页 | UC


加好友 发短信 无名小卒
等级:职业侠客 帖子:114 积分:2635 威望:0 精华:0 注册:2006-11-12 0:48:14
  发帖心情 Post By:2016-7-20 8:34:33 [只看该作者]

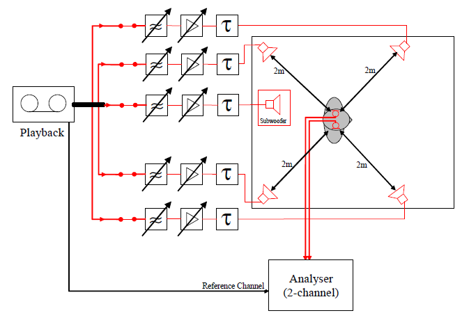
我们用8只喇叭,各放在房间的8个角;喇叭轴线对准仿真人头。
Pink noise, airplane, train等环境噪音都用来测试;

ETSI EG 202 396?1 Background noise simulation technique and background noise database,
其中第六章节“Loudspeaker Setup for Background Noise Simulation”可以参考。


图片点击可在新窗口打开查看此主题相关图片如下:4-loudspeaker.png
图片点击可在新窗口打开查看

[此贴子已经被作者于2016-07-20 08:35:11编辑过]

 回到顶部
帅哥哟,离线,有人找我吗?
a359128215
  9楼 | 信息 | 搜索 | 邮箱 | 主页 | UC


加好友 发短信
等级:论坛游民 帖子:16 积分:355 威望:0 精华:0 注册:2012-2-5 12:04:57
AUQUA 3 QUEST  发帖心情 Post By:2016-7-22 10:29:52 [只看该作者]

AUQUA  3 QUEST

 回到顶部
帅哥哟,离线,有人找我吗?
qwwqwwqshiyi
  10楼 | QQ | 信息 | 搜索 | 邮箱 | 主页 | UC


加好友 发短信
等级:业余侠客 帖子:54 积分:604 威望:0 精华:0 注册:2012-7-11 8:02:47
  发帖心情 Post By:2016-11-26 12:18:49 [只看该作者]

多谢指点!这很专业,看起来蛮适合开发阶段。
您这边量产阶段降噪测试规范是怎样的?

 回到顶部
帅哥哟,离线,有人找我吗?
jcpan773641786
  11楼 | 信息 | 搜索 | 邮箱 | 主页 | UC


加好友 发短信
等级:业余侠客 帖子:74 积分:550 威望:0 精华:0 注册:2016-12-8 9:07:36
  发帖心情 Post By:2017-5-3 10:44:59 [只看该作者]

学习一下

 回到顶部
美女呀,离线,留言给我吧!
ABTEC音频分析仪
  12楼 | 信息 | 搜索 | 邮箱 | 主页 | UC


加好友 发短信
等级:职业侠客 帖子:93 积分:624 威望:0 精华:0 注册:2019-5-24 14:55:21
  发帖心情 Post By:2019-7-2 16:32:01 [只看该作者]

各位朋友大家好!爱普泰科专业生产音频分析仪并提供音频测试方案,广泛应用于耳机,音箱,功放,车机,手机等领域,我们可提供免费上门演示和样机试用,欢迎朋友们垂询!电话:4008-368-078/13510833848廖生


 回到顶部