声学楼论坛技术交流区电声器件与系统设计各类扬声器设计室 → [讨论]钕铁硼磁路


  共有30191人关注过本帖树形打印复制链接

主题:[讨论]钕铁硼磁路

帅哥哟,离线,有人找我吗?
卢生
  1楼 | 信息 | 搜索 | 邮箱 | 主页 | UC


加好友 发短信
等级:论坛游侠 帖子:33 积分:411 威望:0 精华:0 注册:2010-2-3 22:48:00
[讨论]钕铁硼磁路  发帖心情 Post By:2013-6-8 16:42:56 [只看该作者]

各位,请教!

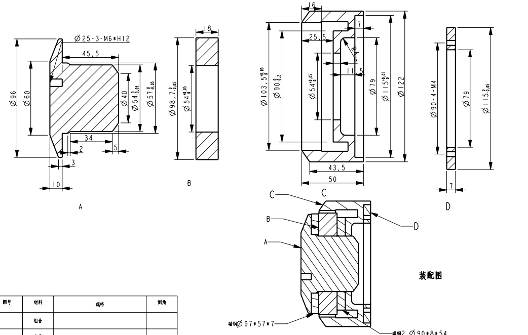
附图纸,声压很低,可能磁路不合理,具体问题在哪里?真的不懂,请帮忙分析。


图片点击可在新窗口打开查看此主题相关图片如下:钕铁硼磁路.png
图片点击可在新窗口打开查看


 回到顶部
帅哥哟,离线,有人找我吗?
SPL100
  2楼 | 信息 | 搜索 | 邮箱 | 主页 | UC


加好友 发短信
等级:侠之大者 帖子:277 积分:1829 威望:0 精华:0 注册:2012-6-14 9:51:33
  发帖心情 Post By:2013-6-8 18:02:21 [只看该作者]

好复杂呀!第一次看见,用在哪里?

先认真分析分析。


 回到顶部
帅哥哟,离线,有人找我吗?
SPL100
  3楼 | 信息 | 搜索 | 邮箱 | 主页 | UC


加好友 发短信
等级:侠之大者 帖子:277 积分:1829 威望:0 精华:0 注册:2012-6-14 9:51:33
  发帖心情 Post By:2013-6-8 18:10:01 [只看该作者]

磁间隙为(103.5-98.7)/2,用软件FEMM模拟。

为什么不用钕铁硼,太贵?磁路不合理。主要是起极芯片作用的部分不合理。将最厚的磁钢换成极芯片但不要这么厚,两块薄磁钢加厚。

要不将U铁加高,不如改成常规内磁算了。

[此贴子已经被作者于2013-06-08 18:28:05编辑过]

 回到顶部
帅哥哟,离线,有人找我吗?
SPL100
  4楼 | 信息 | 搜索 | 邮箱 | 主页 | UC


加好友 发短信
等级:侠之大者 帖子:277 积分:1829 威望:0 精华:0 注册:2012-6-14 9:51:33
  发帖心情 Post By:2013-6-8 18:30:21 [只看该作者]

能否将楼主作品的全貌贴上来,让我也见识见识

 回到顶部
帅哥哟,离线,有人找我吗?
TAM
  5楼 | QQ | 信息 | 搜索 | 邮箱 | 主页 | UC


加好友 发短信
等级:职业侠客 帖子:90 积分:732 威望:0 精华:0 注册:2011-8-30 13:33:05
  发帖心情 Post By:2013-6-9 13:05:57 [只看该作者]

新奇,楼主能否让我们见识一下。


 回到顶部
帅哥哟,离线,有人找我吗?
卢生
  6楼 | 信息 | 搜索 | 邮箱 | 主页 | UC


加好友 发短信
等级:论坛游侠 帖子:33 积分:411 威望:0 精华:0 注册:2010-2-3 22:48:00
  发帖心情 Post By:2013-6-9 15:42:18 [只看该作者]

这就是钕磁,这是按客户样板做出来的,原理不会分析

 回到顶部
帅哥哟,离线,有人找我吗?
大喇叭
  7楼 | 信息 | 搜索 | 邮箱 | 主页 | UC


加好友 发短信
等级:职业侠客 帖子:125 积分:1380 威望:0 精华:0 注册:2011-10-29 20:08:31
  发帖心情 Post By:2013-6-9 20:22:49 [只看该作者]

不懂,这是电动势扬声器吗,磁隙是哪部分?期待高手解答

 回到顶部
帅哥哟,离线,有人找我吗?
卢生
  8楼 | 信息 | 搜索 | 邮箱 | 主页 | UC


加好友 发短信
等级:论坛游侠 帖子:33 积分:411 威望:0 精华:0 注册:2010-2-3 22:48:00
  发帖心情 Post By:2013-6-10 21:12:46 [只看该作者]

图为样板磁路,钕铁硼

 回到顶部
帅哥哟,离线,有人找我吗?
chenzhi
  9楼 | 信息 | 搜索 | 邮箱 | 主页 | UC


加好友 发短信
等级:新手上路 帖子:75 积分:1175 威望:0 精华:0 注册:2006-3-27 17:51:30
  发帖心情 Post By:2013-6-11 15:19:30 [只看该作者]


图片点击可在新窗口打开查看此主题相关图片如下:123.jpg
图片点击可在新窗口打开查看

 回到顶部
帅哥哟,离线,有人找我吗?
CHENZHI
  10楼 | 信息 | 搜索 | 邮箱 | 主页 | UC


加好友 发短信
等级:新手上路 帖子:75 积分:1175 威望:0 精华:0 注册:2006-3-27 17:51:30
  发帖心情 Post By:2013-6-11 15:21:48 [只看该作者]

这个部分应该铝的吧!感觉属于超薄型喇叭的设计。

 回到顶部
总数 27 1 2 3 下一页