声学楼论坛信息发布区自由交流室 → Please help me to find this receiver


  共有10393人关注过本帖树形打印复制链接

主题:Please help me to find this receiver

帅哥哟,离线,有人找我吗?
zousunny005
  1楼 | 信息 | 搜索 | 邮箱 | 主页 | UC


加好友 发短信
等级:新手上路 帖子:142 积分:2321 威望:0 精华:0 注册:2007-9-15 12:20:12
Please help me to find this receiver  发帖心情 Post By:2010-9-21 9:38:47 [只看该作者]

Dear sirs,

   Please help me to find this receiver .My QQ number: 358377405  ,E-mail :zousunny005@163.com  and my cell phone :135 1061 3287  thanks! 


图片点击可在新窗口打开查看此主题相关图片如下:three dimensions.jpg
图片点击可在新窗口打开查看


图片点击可在新窗口打开查看此主题相关图片如下:drawing 2.jpg
图片点击可在新窗口打开查看

图片点击可在新窗口打开查看此主题相关图片如下:frequency response.jpg
图片点击可在新窗口打开查看

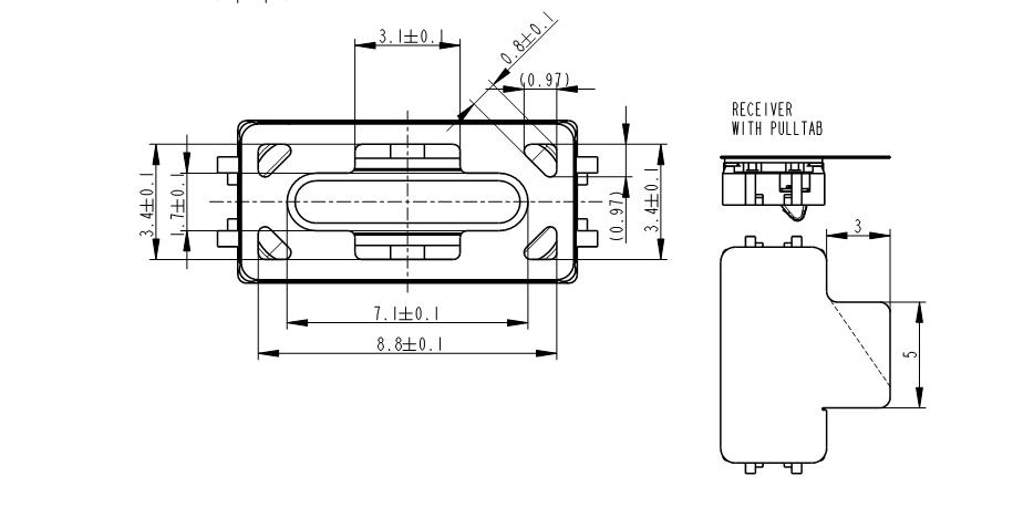
图片点击可在新窗口打开查看此主题相关图片如下:main dimensions.jpg
图片点击可在新窗口打开查看

图片点击可在新窗口打开查看此主题相关图片如下:material list.jpg
图片点击可在新窗口打开查看

 回到顶部
帅哥哟,离线,有人找我吗?
Dragon
  2楼 | 信息 | 搜索 | 邮箱 | 主页 | UC


加好友 发短信
等级:新手上路 帖子:515 积分:4580 威望:0 精华:0 注册:2007-2-2 12:46:11
  发帖心情 Post By:2010-9-21 14:01:15 [只看该作者]

Hi Sunny,I can provide the component,please let me know the potential volume and cost expectation?How about the business model?

For detail or further discussion,please add my QQ ID:1352809991.



Acoustic solution designer!
 回到顶部
帅哥哟,离线,有人找我吗?
水仙
  3楼 | QQ | 信息 | 搜索 | 邮箱 | 主页 | UC


加好友 发短信 电声从业人员
等级:超级版主 帖子:6565 积分:51373 威望:10 精华:39 注册:2005-10-28 8:32:06
  发帖心情 Post By:2010-9-21 15:32:21 [只看该作者]

NXP的产品, 看起来也舒服!


声学楼--声学工程师之家
QQ:350824984,邮件:adrian_chi@163.com,微博:adrian_chi,微信:adrian_chi
 回到顶部
帅哥哟,离线,有人找我吗?
seasun
  4楼 | 信息 | 搜索 | 邮箱 | 主页 | UC


加好友 发短信
等级:职业侠客 帖子:98 积分:1027 威望:0 精华:0 注册:2008-6-12 20:32:48
  发帖心情 Post By:2010-9-21 15:56:28 [只看该作者]

NXP receiver. this product is designed for Iphone. and now is lagely used by Nokia.

 

We have stock.


 回到顶部
帅哥哟,离线,有人找我吗?
zousunny005
  5楼 | 信息 | 搜索 | 邮箱 | 主页 | UC


加好友 发短信
等级:新手上路 帖子:142 积分:2321 威望:0 精华:0 注册:2007-9-15 12:20:12
  发帖心情 Post By:2010-9-21 17:17:56 [只看该作者]

Hi Carl, it was so glad to talk to you .you are the one who is every professional in acoustic field. I appreciate to have a chance to meet you here and also admire your every valuable experience.well,I will send you E-mail for this receiver the day after tomorrow.

 回到顶部
帅哥哟,离线,有人找我吗?
zousunny005
  6楼 | 信息 | 搜索 | 邮箱 | 主页 | UC


加好友 发短信
等级:新手上路 帖子:142 积分:2321 威望:0 精华:0 注册:2007-9-15 12:20:12
  发帖心情 Post By:2010-9-23 8:38:13 [只看该作者]

Hi Seasun, so glad to hear you similar with this one and also to my surprise ,you have stock. So, can you give me your quotation about this receiver ? I will ask you for samples if the prise is ok. Please contact me ,my QQ ID:358377405   ;E-mail :zousunny005@163.com   ;cell phone :135 1061 3287   thanks !

 回到顶部
帅哥哟,离线,有人找我吗?
zousunny005
  7楼 | 信息 | 搜索 | 邮箱 | 主页 | UC


加好友 发短信
等级:新手上路 帖子:142 积分:2321 威望:0 精华:0 注册:2007-9-15 12:20:12
  发帖心情 Post By:2010-9-23 8:45:27 [只看该作者]

 Dear all,  Please have a see the pictures I attatched

 


图片点击可在新窗口打开查看此主题相关图片如下:electro-acoustic parameters.jpg
图片点击可在新窗口打开查看


图片点击可在新窗口打开查看此主题相关图片如下:pwb layout.jpg
图片点击可在新窗口打开查看

图片点击可在新窗口打开查看此主题相关图片如下:tolerance window.jpg
图片点击可在新窗口打开查看

图片点击可在新窗口打开查看此主题相关图片如下:force on component.jpg
图片点击可在新窗口打开查看

图片点击可在新窗口打开查看此主题相关图片如下:force on component2.jpg
图片点击可在新窗口打开查看

 回到顶部
帅哥哟,离线,有人找我吗?
zousunny005
  8楼 | 信息 | 搜索 | 邮箱 | 主页 | UC


加好友 发短信
等级:新手上路 帖子:142 积分:2321 威望:0 精华:0 注册:2007-9-15 12:20:12
  发帖心情 Post By:2010-9-23 8:55:26 [只看该作者]


图片点击可在新窗口打开查看此主题相关图片如下:power handling.jpg
图片点击可在新窗口打开查看

图片点击可在新窗口打开查看此主题相关图片如下:spring force.jpg
图片点击可在新窗口打开查看

图片点击可在新窗口打开查看此主题相关图片如下:measured parameters.jpg
图片点击可在新窗口打开查看

图片点击可在新窗口打开查看此主题相关图片如下:measurement adapter.jpg
图片点击可在新窗口打开查看

图片点击可在新窗口打开查看此主题相关图片如下:measurement setup.jpg
图片点击可在新窗口打开查看

 回到顶部
帅哥哟,离线,有人找我吗?
走在电声路上
  9楼 | 信息 | 搜索 | 邮箱 | 主页 | UC


加好友 发短信
等级:论坛游侠 帖子:20 积分:222 威望:0 精华:0 注册:2010-9-3 14:19:51
  发帖心情 Post By:2010-9-23 13:15:57 [只看该作者]

你好,我有这一款受话器,QQ84118744

 回到顶部
帅哥哟,离线,有人找我吗?
Dragon
  10楼 | 信息 | 搜索 | 邮箱 | 主页 | UC


加好友 发短信
等级:新手上路 帖子:515 积分:4580 威望:0 精华:0 注册:2007-2-2 12:46:11
  发帖心情 Post By:2010-9-23 14:27:51 [只看该作者]

Super...



Acoustic solution designer!
 回到顶部
帅哥哟,离线,有人找我吗?
zousunny005
  11楼 | 信息 | 搜索 | 邮箱 | 主页 | UC


加好友 发短信
等级:新手上路 帖子:142 积分:2321 威望:0 精华:0 注册:2007-9-15 12:20:12
Please help me to find this receiver  发帖心情 Post By:2010-9-24 8:22:47 [只看该作者]


图片点击可在新窗口打开查看此主题相关图片如下:spring force.jpg
图片点击可在新窗口打开查看

图片点击可在新窗口打开查看此主题相关图片如下:temperature & humidity cycle test.jpg
图片点击可在新窗口打开查看

图片点击可在新窗口打开查看此主题相关图片如下:temperature cycle test.jpg
图片点击可在新窗口打开查看

图片点击可在新窗口打开查看此主题相关图片如下:shock resistance test.jpg
图片点击可在新窗口打开查看

图片点击可在新窗口打开查看此主题相关图片如下:salt mist test.jpg
图片点击可在新窗口打开查看

 回到顶部
帅哥哟,离线,有人找我吗?
zousunny005
  12楼 | 信息 | 搜索 | 邮箱 | 主页 | UC


加好友 发短信
等级:新手上路 帖子:142 积分:2321 威望:0 精华:0 注册:2007-9-15 12:20:12
Please help me to find this receiver  发帖心情 Post By:2010-9-24 8:27:33 [只看该作者]


图片点击可在新窗口打开查看此主题相关图片如下:related documents.jpg
图片点击可在新窗口打开查看

图片点击可在新窗口打开查看此主题相关图片如下:low temperature storage test.jpg
图片点击可在新窗口打开查看

图片点击可在新窗口打开查看此主题相关图片如下:environmental conditions.jpg
图片点击可在新窗口打开查看

图片点击可在新窗口打开查看此主题相关图片如下:enviromental tests.jpg
图片点击可在新窗口打开查看

图片点击可在新窗口打开查看此主题相关图片如下:cold operation test.jpg
图片点击可在新窗口打开查看

 回到顶部
帅哥哟,离线,有人找我吗?
yunshi2008
  13楼 | 信息 | 搜索 | 邮箱 | 主页 | UC


加好友 发短信
等级:新手上路 帖子:61 积分:685 威望:0 精华:0 注册:2008-2-24 20:45:26
  发帖心情 Post By:2010-10-26 8:44:33 [只看该作者]

1206?

 回到顶部
帅哥哟,离线,有人找我吗?
Dragon
  14楼 | 信息 | 搜索 | 邮箱 | 主页 | UC


加好友 发短信
等级:新手上路 帖子:515 积分:4580 威望:0 精华:0 注册:2007-2-2 12:46:11
  发帖心情 Post By:2010-10-26 13:45:58 [只看该作者]

10x4.8 x2


Acoustic solution designer!
 回到顶部
帅哥哟,离线,有人找我吗?
spengineer
  15楼 | 信息 | 搜索 | 邮箱 | 主页 | UC


加好友 发短信
等级:论坛游民 帖子:13 积分:184 威望:0 精华:0 注册:2011-2-15 15:47:36
  发帖心情 Post By:2011-3-2 17:03:30 [只看该作者]

看上面的图片像是水果公司的人写的SPEC嘛,一向保密第一的水果公司要被你们气死了

 回到顶部