声学楼论坛信息发布区自由交流室 → 寻找10*4.8*2mm的受话器


  共有6913人关注过本帖树形打印复制链接

主题:寻找10*4.8*2mm的受话器

帅哥哟,离线,有人找我吗?
zousunny005
  1楼 | 信息 | 搜索 | 邮箱 | 主页 | UC


加好友 发短信
等级:新手上路 帖子:142 积分:2321 威望:0 精华:0 注册:2007-9-15 12:20:12
寻找10*4.8*2mm的受话器  发帖心情 Post By:2010-9-21 9:21:50 [只看该作者]

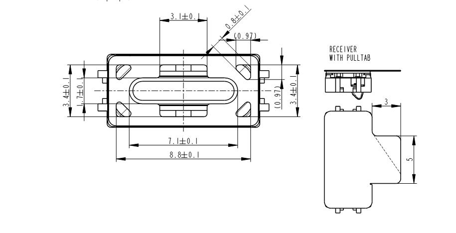
请帮忙寻找NXP的这款受话器,我的QQ:358377405  ;邮箱:zousunny005@163.com     手机:13510613287


图片点击可在新窗口打开查看此主题相关图片如下:additional documents.jpg
图片点击可在新窗口打开查看

图片点击可在新窗口打开查看此主题相关图片如下:cold operation test.jpg
图片点击可在新窗口打开查看

图片点击可在新窗口打开查看此主题相关图片如下:尺寸图.jpg
图片点击可在新窗口打开查看

图片点击可在新窗口打开查看此主题相关图片如下:机械图.jpg
图片点击可在新窗口打开查看

图片点击可在新窗口打开查看此主题相关图片如下:机械图2.jpg
图片点击可在新窗口打开查看


 回到顶部